Bình tích áp 1000L Hà Nội Việt Nam
| Vật liệu thân bình: | SS400 – 6mm | 
| Dung tích bình | 1000 L | 
| Áp suất thiết kế: | 10 kg/cm² | 
| Áp suất làm việc: | 8.5 kg/cm² | 
| Áp suất thử nước: | 15 kg/cm² | 
| Nhiệt độ làm việc tối đa: | 100 ºC | 
| Tiêu chuẩn thiết kế: | TCVN 8366:2010 | 
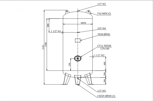
| Đường kính: | 850 mm | 
| Chiều cao: | 2150 mm | 
| Xuất xứ: | Việt Nam | 
CHI TIẾT
1.Bình tích áp 1000L được chế tạo sản xuất tại Hà Nội. Dưới đây là bản vẽ kỹ thuật chi tiết của bình.

Kích thước đấu nối các linh phụ kiện.

Bình phù hợp cho các máy nén khí có lưu lượng từ 1000L trở lên.
2.Chất lượng sản xuất.
Bình được sơn 3 lớp chống gỉ, lót và phủ bóng.

Sau khi sơn chống gỉ tiếp theo là lót và phủ bóng

Bình tích áp trang bị đầy đủ cửa thăm để tiến hành kiểm tra, kiểm định sau một thời gian sử dụng đảm bảo trung thực chính xác an toàn cho người sử dụng.
3.Phụ kiện

Bình tích trang bị đầy đủ van an toàn đồng hồ báo áp và van xả nước đáy.
